
SVG Diwydiannol Trwm
Mae'r AHF / SVG diwydiannol yn drawsnewidydd pŵer hyblyg. Yn gyntaf mae'n mesur y ceryntau adweithiol a harmonig a gynhyrchir gan y llwyth, ac yna'n dileu'r mwyafrif helaeth o gerrynt adweithiol a harmonig yn y rhwydwaith cyflenwi pŵer trwy gynhyrchu ceryntau adweithiol a harmonig newydd gyda chyfnodau cyferbyn a'r un osgled. Trwy ganslo ceryntau adweithiol a harmonig yn y gylched iawndal, gellir cyflawni'r effeithiau canlynol:
* Yn lleihau'n sylweddol afluniad tonffurf foltedd a cherrynt yn y rhwydwaith cyflenwad pŵer;
* Yn gwella ffactor pŵer y system cyflenwad pŵer yn sylweddol, yn lleihau gallu dylunio trawsnewidyddion, ac yn lleihau costau sylfaenol;
* Yn lleihau colledion trawsnewidyddion a chebl, yn gostwng eu tymheredd, ac yn arbed ynni;
* Yn lleihau'r risg o ymyrraeth i offer arall a achosir gan harmonics system;
* Gwella foltedd terfynell a gwella ansawdd pŵer.
Disgrifiad Cynnyrch
Mae ein cynhyrchion ansawdd pŵer diwydiannol (Hidlyddion Pŵer Gweithredol (APF) a Generaduron Var Statig (SVG))) yn ddyfeisiau electronig pŵer deallus, gweithredol a ddatblygwyd gan ein cwmni. Maent yn defnyddio topoleg electronig pŵer effeithlonrwydd uchel a thechnoleg rheoli digidol llawn uwch i wneud iawn yn ddeinamig am geryntau adweithiol a harmonig, gwella'r ffactor pŵer, a dileu ceryntau harmonig.
Egwyddor iawndal harmonig:Mae'r rheolydd DSP yn canfod y cerrynt llwyth mewn amser real ac yn cyfrifo ac yn dadansoddi data pob cerrynt harmonig o'r cerrynt llwyth; defnyddir pob cerrynt harmonig fel gwerth cyfeirio'r rheolydd, ac mae'r rheolydd yn gyrru'r IGBT i gynhyrchu cerrynt iawndal gyda'r un osgled a polaredd cyferbyniol â'r cerrynt harmonig a'i chwistrellu i'r grid pŵer i ddileu harmonigau pŵer yn weithredol.

Cydrannau Sylfaenol
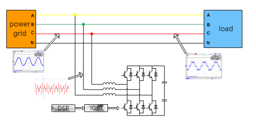
Mae'r system APF/SVG yn bennaf yn cynnwys prif gyswllt KM1, cysylltydd cyn-talu KM2, gwrthydd codi tâl R, anwythydd ffilter L, pont gywirydd PWM foltedd (VSR), a chynhwysydd bws DC C.
Mae'r diagram system i'w weld yn Ffigur 1. Gwrthydd R yw gwrthydd cyn gwefru'r system. Pan fydd KM2 ar gau, mae foltedd cynhwysydd bws y system yn codi tâl yn araf. Mae KM1 yn rheoli'r brif gylched ac ar yr un pryd mae-byr yn-gylchu'r gwrthydd gwefru R. Yr anwythydd yw'r elfen rhyngwyneb trawsyrru pŵer rhwng y trawsnewidydd pŵer a'r system bŵer, gan wasanaethu fel storfa ynni a cherrynt crychdonni sy'n hidlo amledd uchel. Y foltedd-ffynhonnell PWM bont unionydd yw cydran trosi pŵer y SVG, sy'n cynnwys -transistorau deubegwn adwy wedi'u hinswleiddio (IGBTs). Mae'n defnyddio technoleg modiwleiddio fector gofod (SVPWM) i yrru'r IGBTs i gynhyrchu tonffurf cerrynt iawndal. Mae'r modiwl cynhwysydd DC yn storio'r ynni DC a gynhyrchir gan y modiwl trosi pŵer IGBT.

Taflen Ddata
| Paramedrau trydanol | |
| Dull gwifrau | Gwifren tair -cam tri- |
| Foltedd gweithredu | 660V(±20%) |
| Amledd gweithredu | 50Hz/60Hz(±10%) |
| Manylebau cynnyrch | 57kvar, 114kvar |
| Manylebau trawsnewidyddion cyfredol | 100:5 ~ 10000:5 |
| Swn | <60dB |
| Nodweddion | |
| Newid dyfeisiau | IGBT |
| Amlder newid | >20kHz |
| Dulliau afradu gwres | Oeri aer deallus |
| Rheoli afradu gwres | Addasiad cyflymder ffan addasol |
| Swyddogaethau amddiffyn | Overvoltage, undervoltage, gorgynhesu, overcurrent, amddiffyn cylched byr |
| Perfformiad iawndal | |
| Iawndal pŵer adweithiol | -1 i +1 addasadwy (o fewn ystod gallu dyfais) |
| Colli pŵer gweithredol | <3% |
| Cyfanswm yr amser ymateb | <10ms |
| Rhyngwyneb Arddangos | |
| Sgrin arddangos | Sgrin gyffwrdd lliw-llawn 7-troedfedd (math cabinet) |
| Iaith | Tsieinëeg, Saesneg, ac ieithoedd y gellir eu haddasu |
| Arddangosfa batri | Cyfradd ystumio, ffactor pŵer, pŵer, foltedd, cerrynt, ac arddangosiad data arall |
| Rhyngwyneb cyfathrebu a math o brotocol | RS485, protocol Modbus |
| Amodau amgylcheddol | |
| Tymheredd gweithredu | -10 gradd ~+40 gradd |
| Lleithder cymharol | <95%, no condensation |
| Uchder | <5000 meters (above 1000 meters, capacity decreases by 1% for every additional 100 meters) |
| Eraill | |
| Lefel amddiffyn | Sgôr IP20, graddfeydd eraill ar gael ar gais. |
| Dull gosod | Rack-mount, ffurfweddau cabinet integredig. |
Q&A
Beth yw nodweddion cynnyrch AHF/SVG diwydiannol trwm?
Mae Swyddogaethau Diogelu Cynhwysfawr yn Gwella Sefydlogrwydd Cymhwysiad Defnyddwyr
Mae algorithm cyfyngu cerrynt awtomatig gyda gosodiadau RMS deuol a gwerth brig yn cyfyngu'n awtomatig ar allbwn y ddyfais i 100% pan fydd y cerrynt harmonig llwyth yn fwy nag allbwn y ddyfais, gan ddileu risg gorlwytho;
Swyddogaethau amddiffyn cynhwysfawr, gan gynnwys overcurrent, overvoltage, undervoltage, a overtemperature amddiffyn, gan sicrhau gweithrediad system diogel a dibynadwy;
Strategaethau Rheoli Uwch a Dylunio Topoleg
Mae technoleg synhwyro well yn seiliedig ar ddamcaniaeth pŵer adweithiol ar unwaith yn galluogi-canfod cerrynt harmonig mewn amser real ac olrhain newidiadau harmonig llwyth yn awtomatig, gan gynnig gallu rheoli uchel ac ymateb cyflym;
Hynod Integredig, Modiwlaidd, a Cyfresol
Cyfuniad hyblyg a gweithrediad cyfochrog i fodloni gwahanol ofynion cynhwysedd, gwella dibynadwyedd a chynaladwyedd offer wrth gyflawni cynhyrchiad safonol, gan hwyluso gosod a chynnal a chadw systemau yn fawr;
Mae dyluniad dwythell aer annibynnol modiwl sengl yn ynysu adlyniad llwch amgylcheddol yn effeithiol, gan wella effeithlonrwydd afradu gwres cynnyrch;
Profiad Defnyddiwr Uwch
Hunan-ddiagnosis{0}}hunan{0}}a hunan-swyddogaeth gychwyn: Mae gan y ddyfais swyddogaeth adfer hunan-ar gyfer cau i lawr sydd heb ei achosi gan ei phroblemau ei hun. Cyn-adferiad, mae angen diagnosis awtomatig o'r grid pŵer allanol a'r ddyfais ei hun, a dim ond ar ôl diagnosis llwyddiannus y mae'n bosibl dechrau eich hun. Os bydd y ddyfais yn methu â chychwyn fel arfer ar ôl tair ymgais i adfer eich hun o fewn 30 munud, bydd yn stopio ac yn anfon larwm nam i'r cyfrifiadur gwesteiwr, ac yn goleuo golau dangosydd bai'r ddyfais ei hun.
Tagiau poblogaidd: svg diwydiannol trwm, Tsieina diwydiannol trwm svg gweithgynhyrchwyr, cyflenwyr, ffatri
Anfon ymchwiliad







